Need assistance? Call 01908 325 100, email sales@evatron.com, or use our live chat

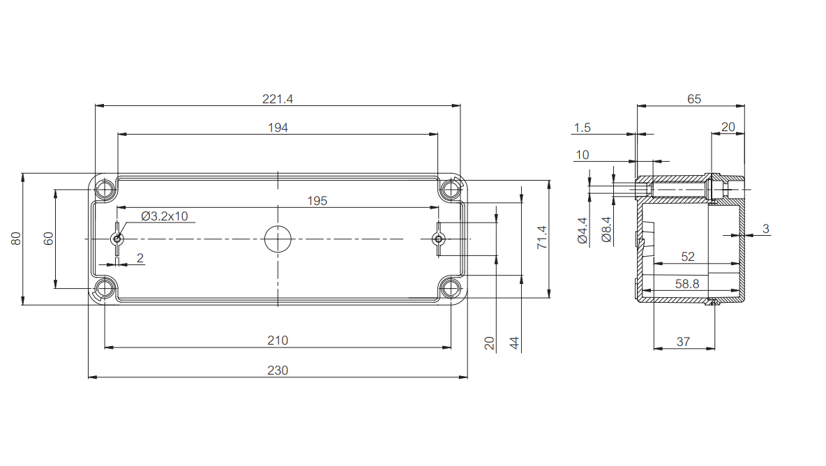
ABS F 65G

£13.84

230 × 80 × 65 mm

These enclosures can only be purchased in pack quantities of 8 and are subject to minimum order values which are displayed in your basket.

Desk top controller box, colour grey RAL 7035, base height 50 mm, material abs, IP67 rated, electrical control box, grey cover. Clear top version available replace the G for T ie ABS B 65G = ABS B 65T. Case in a polycarbonate version replace the ABS with PC so ABS B 65G becomes PC B 65G.

Quantity:
Request a sample

Price Match

Ask us to beat your competitor price for this product!

Delivery info

We will aim to despatch all online orders on a next day service if they are placed before 3pm on a weekday.

info Additional information

Accessories for this product