PCM175/75G

Need assistance? Call 01908 325 100, email sales@evatron.com, or use our live chat

PCM175/75G

£28.92

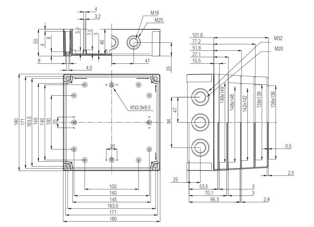
180 × 180 × 75 mm

These enclosures can only be purchased in pack quantities of 4 and are subject to minimum order values which are displayed in your basket.

IP67 rated, light grey, smooth finish, cable gland knockouts, opaque grey cover, base height 50 mm, material polycarbonate, flame retardant v-2

Quantity:
Request a sample

Price Match

Ask us to beat your competitor price for this product!

Delivery info

We will aim to despatch all online orders on a next day service if they are placed before 3pm on a weekday.

info Additional information

Accessories for this product