PCM125/125T

Need assistance? Call 01908 325 100, email sales@evatron.com, or use our live chat

PCM125/125T

£21.28

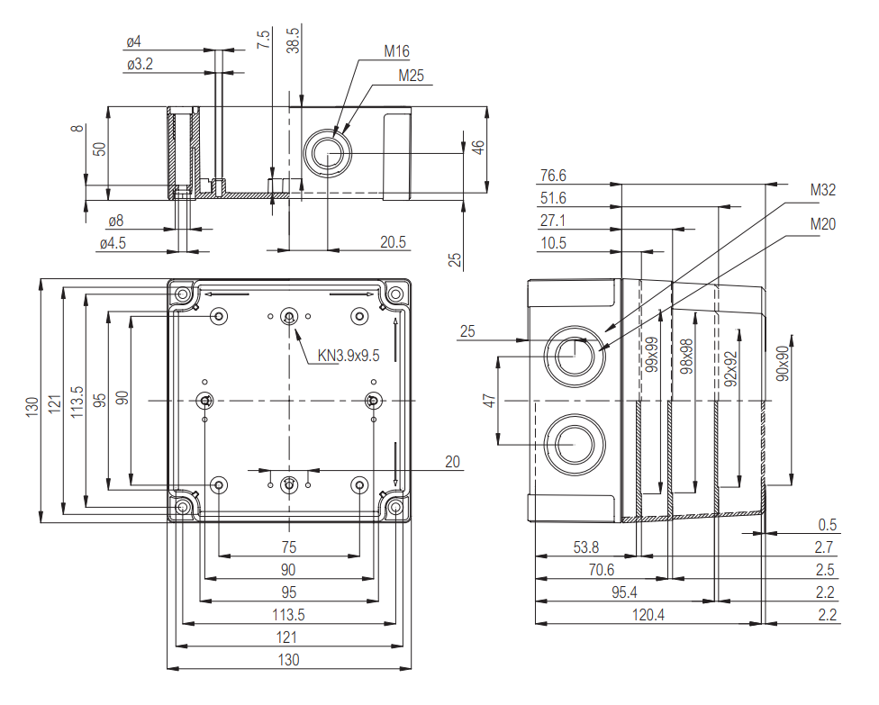
130 × 130 × 125 mm

These enclosures can only be purchased in pack quantities of 8 and are subject to minimum order values which are displayed in your basket.

IP67 rated, light grey, smooth finish, cable gland knockouts, transparent/clear top cover, base height 50 mm, material polycarbonate, flame retardant v-2

Quantity:
Request a sample

Price Match

Ask us to beat your competitor price for this product!

Delivery info

We will aim to despatch all online orders on a next day service if they are placed before 3pm on a weekday.

info Additional information

Accessories for this product