Need assistance? Call 01908 325 100, email sales@evatron.com, or use our live chat

🎄 Our office will be closed from Tuesday 23rd of December from 5PM and will re-open on the 5th January 2026 at 9AM, our last despatch day for UK orders will be the 22nd of December. All orders and emails received during this time will be processed and answered upon our return.

From all of the Evatron team we wish you a Merry Christmas and a Happy New Year. 🎄

CAB GRP 302017

£107.51

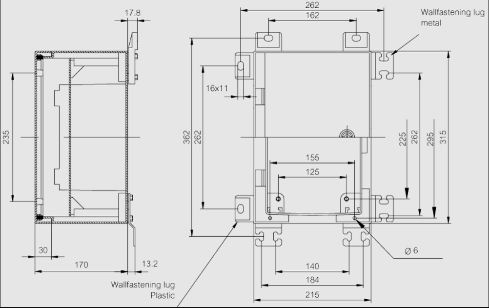
300 × 200 × 170 mm

GRP cabinet enclosure – Including : Cabinet base. door with PUR gasket. 3mm double bit lock(s) with transport and plastic key. screws for mounting plate/DIN-rail and wall fastening lugs
with screws. Wall mounting screws not supplied.

  • Material – Glass Fibre Reinforced Polyester – GRP

Ratings
Ingress protection (EN 60529): IP66;
Impact Resistance (EN 62262): IK10;
electrical_insulation : Totally insulated
UV resistance : UL 746C
Flammability Rating : UL 94 HB
Glow Wire Test (IEC 695-2-1) °C : 960

Quantity discounts
1-49 50-100 101+
£107.51 £102.13 £96.76
Quantity:
Request a sample

Customised enclosures

From simple modifications to full designs, we create enclosures to fit your needs.

Start customising

Delivery info

We will aim to despatch all online orders on a next day service if they are placed before 3pm on a weekday.

info Additional information

Accessories for this product